Trion Air Boss VOMP 600 Air Cleaner
Search Results for
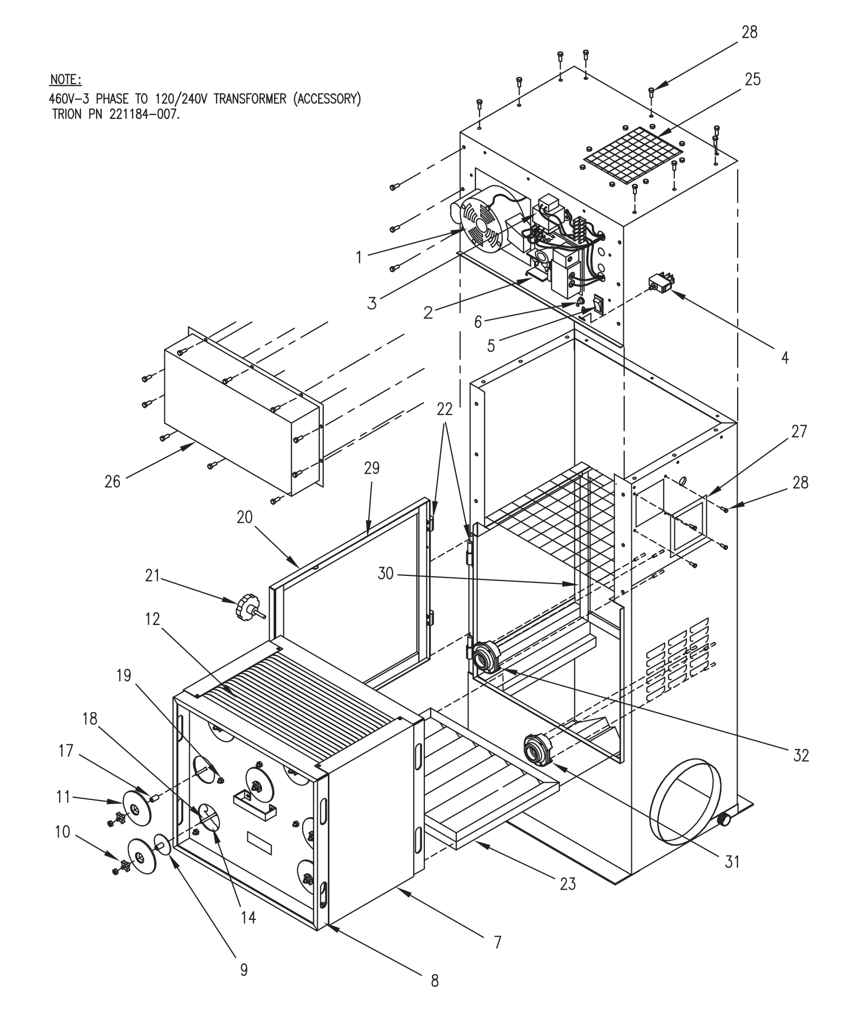
Select a diagram to view its parts
Parts
Diagram

1
2
3
4
5
6
7
8
9
10
11
12
14
17
18
19
20
21
22
23
25
26
27
28
28
29
30
31
32
Parts
Parts Not In Diagram
Installation Accessories
Shop Accessories
Browser Not Supported
You are using Internet Explorer as your browser, which is no longer supported by our website. Because of this, you can view products but not place orders using Internet Explorer on our site.
Please update your browser to any of the modern browsers listed below or use a different internet browser to place an order on this site.
If you have any questions or need assistance with placing an order, please contact us at 800-825-2148 or [email protected]










